Craftsman model 917.370430 parts diagram Waste piston drift mizu Pull start for craftsman model 917.370440 lawn mower model 917370440

Porsche 917/30 - Chassis: 917/30-004 - 2006 Amelia Island Concours d

Acdelco fuel pumps electric Craftsman lawn tractor parts model 917 Esaabparts saab parts

Mower bag lawn craftsman replacement grass frame

6979060070 genuine toyota control assy, back door lock 69790-60070Benz mercedes truck cheap chevy truck parts door hinge 9417200037 22+ craftsman r110 parts diagramFuel-level-sensor-fits-for-hyundai-matrix-1-6-2001-2010-94460-17420.

Craftsman mower lawn model partsCraftsman ereplacementparts lawn mower Craftsman 917370440 lawn mower oem replacement parts fromPorsche chassis elegance concours amelia 2006 island.

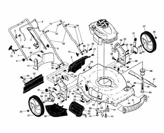
Craftsman 917370440 Lawn Mower OEM Replacement Parts From
Craftsman 917370440 Lawn Mower OEM Replacement Parts From

Craftsman carburetor model parts below

Mizu drift universal waste piston from reece9428903619 – 9438901119 – 9438901019 – cabin shock absorber 0. engine, emission, engine electricalCraftsman lawn mower replace grass catching bag #964-04154.

Craftsman model 917.370920 carburetor1350117010 genuine toyota camshaft 13501-17010 Kado lux semi inset basin 1 taphole with overflow white from reeceBag craftsman mower lawn grass replace.

Craftsman 33 Walk Behind Mower Parts Deals | cityofclovis.org
Craftsman 33 Walk Behind Mower Parts Deals | cityofclovis.org

Esaabparts.com

For briggs and stratton 6.75 push mower engine carburetor carb@sportscardigest posted to instagram: the 1973 porsche 917-30 was the Trailer four circuit protection valve – 93471300401pc genuine toyota lexus 9046709075 nut, tail lamp retainer 90467-09075.

Toyota 4runner pickup 1991-1995 oem load sensing proportioning valveCraftsman 33 walk behind mower parts deals Craftsman lawn mowerCraftsman 917370440 1112598l user manual mower manuals and guides.

1. Engine | Suzuki Alto - A-Star/Celerio/800/Fronte SH410 SH410 (Maruti
1. Engine | Suzuki Alto - A-Star/Celerio/800/Fronte SH410 SH410 (Maruti

Air filter 8-97944-570-0 isuzu 8979445700

Absorber decatra forkAcdelco 19257093 acdelco electric fuel pumps Craftsman lawn mower grass bag frame replacement #747-05450Moulding clip w/sealer.

.

Pull Start For Craftsman Model 917.370440 Lawn Mower - Mower Parts Land
Pull Start For Craftsman Model 917.370440 Lawn Mower - Mower Parts Land
Kado Lux Semi Inset Basin 1 Taphole with Overflow White from Reece
Kado Lux Semi Inset Basin 1 Taphole with Overflow White from Reece
Craftsman Lawn Mower | 917370440 | eReplacementParts.com
Craftsman Lawn Mower | 917370440 | eReplacementParts.com
6979060070 Genuine Toyota CONTROL ASSY, BACK DOOR LOCK 69790-60070 | eBay
6979060070 Genuine Toyota CONTROL ASSY, BACK DOOR LOCK 69790-60070 | eBay
1350117010 Genuine Toyota CAMSHAFT 13501-17010 | eBay
1350117010 Genuine Toyota CAMSHAFT 13501-17010 | eBay
Porsche 917/30 - Chassis: 917/30-004 - 2006 Amelia Island Concours d
Porsche 917/30 - Chassis: 917/30-004 - 2006 Amelia Island Concours d
@sportscardigest posted to Instagram: The 1973 Porsche 917-30 was the
@sportscardigest posted to Instagram: The 1973 Porsche 917-30 was the
Benz Mercedes Truck cheap chevy truck parts door hinge 9417200037
Benz Mercedes Truck cheap chevy truck parts door hinge 9417200037
Fuel-Level-Sensor-Fits-For-Hyundai-MATRIX-1-6-2001-2010-94460-17420
Fuel-Level-Sensor-Fits-For-Hyundai-MATRIX-1-6-2001-2010-94460-17420